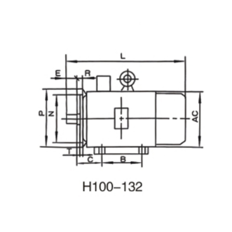
Motor (B35) with foot and flange on end cover (with through hole)
For more information, please send an email or call our hotline
Motor (B35) with foot and flange on end cover (with through hole)
For more information, please send an email or call our hotline
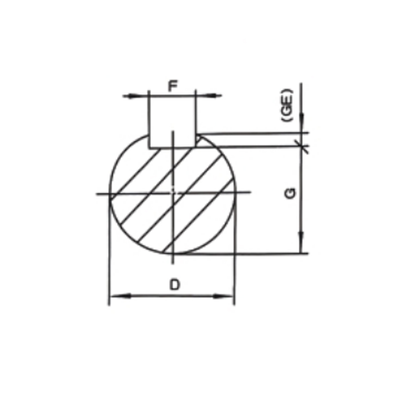
| Frame | Ploes | A | A/2 | B | C | H | K | D | E | F | G | M | N | P | R | S | T | Holes | AB | AC | AD | HD | L |
| 63M | 2.4 | 100 | 50 | 80 | 40 | 63 | 7 | 11 | 23 | 4 | 8.5 | 115 | 95 | 140 | 0 | 10 | 3 | 4 | 135 | 130 | — | 180 | 230 |
| 71M | 2.4.6 | 112 | 56 | 90 | 45 | 71 | 14 | 30 | 5 | 11 | 130 | 110 | 160 | 3.5 | 150 | 145 | — | 195 | 255 | ||||
| 80M | 2.4.6.8 | 125 | 62.5 | 100 | 50 | 80 | 10 | 19 | 40 | 6 | 15.5 | 165 | 130 | 200 | 12 | 165 | 175 | 145 | 220 | 305 | |||
| 90S | 140 | 70 | 100 | 56 | 90 | 24 | 50 | 8 | 20 | 180 | 195 | 165 | 260 | 360 | |||||||||
| 90L | 125 | 390 | |||||||||||||||||||||
| 100L | 160 | 80 | 140 | 63 | 100 | 12 | 28 | 60 | 24 | 215 | 180 | 250 | 14.5 | 4 | 205 | 215 | 180 | 270 | 435 | ||||
| 112M | 190 | 95 | 140 | 70 | 112 | 230 | 240 | 190 | 310 | 470 | |||||||||||||
| 132S | 216 | 108 | 140 | 89 | 132 | 38 | 80 | 10 | 33 | 265 | 230 | 300 | 270 | 275 | 210 | 345 | 510 | ||||||
| 132M | 178 | 550 |